Blog de programación enfocado a estudiantes principiantes de C/C++ en español. Dispone de cursos de todos los niveles y para multitud de usos.
martes, 30 de octubre de 2012
SEO: Como conseguir más tráfico web
Articulo relacionado con el curso de SEO LordPakus
Hola a todos,
Hace un tiempo, aquí, os dije que tuvierais paciencia y que si ibais publicando poco a poco tendríais mas público, pero por lo visto hay mas de uno que es bastante impaciente y me pide soluciones algo más rápidas :D.
El post de SEO de hoy trata de sobre clasificar los post que hacemos y los medios por los que los comunicamos a nuestros lectores a fin de conseguir optimizar nuestro esfuerzo y conseguir alguna visita adicional.
Todo lo que os explicaré hoy es en gran parte cosecha propia, así que tampoco os lo toméis como una verdad universal sino como una experiencia personal que en mi caso funciona.
Clasificación de los posts:
El gran problema de los post es que a priori es muy difícil predecir como se comportarán, pero si que es cierto que con un poco de experiencia puedes imaginar por donde irán los tiros y actuar en consecuencia.
- Inútiles: Son aquellos posts que realmente no sirven para nada. No te dan tráfico ni a corto ni a medio-largo plazo (es más, hasta te lo quitan). A la que detectéis uno de estos, aprended y no volváis a publicar nada parecido. No tienen por que estar mal escritos , ni poco trabajados, sencillamente, esa temática o esa forma de abordarla no gusta a tu público y puede llegar a dejar de leerte.
- Explosivos: Son aquellos posts que te pueden generar un burrada de tráfico en poco tiempo, pero que en ese mismo poco tiempo desaparecen para el usuario. Normalmente son posts con un alto porcentaje de imágenes de temas que afectan a la emoción del público (humor, rabia, solidaridad,etc...). Si orientáis vuestro web/blog a este tipo de contenidos podréis tener muchísimo tráfico, pero tendréis que estar publicando sin parar para no quedaros sin público.
- Vacas Lecheras: Son aquellos posts que al principio pasan más o menos desapercibidos o con un ligero éxito, pero que meses después siguen dando lectores. Tipicamente son manuales, tutoriales o cursos y si orientais vuestro blog a este tipo de contenido tendréis un poco más de margen entre posteo y posteo (aunque el trabajo y la calidad que tengáis que poner sea bastante superior)
Clasificación de los medios de comunicación:
Los medios de comunicación de un blog son todos aquellos sistemas que tenemos para comunicarnos con nuestros lectores finales (y por lo tanto conseguir visitas)
- Twiter: el usuario de twiter es nervioso por naturaleza , así que en el momento de publicar nuestro post rapidamente se conectará y lo mirará. Desgraciadamente, en breves minutos se olvidará de ese post :D. Así pues twiter es un método muy eficaz y rápido para generar tráfico, pero un poco pobre para el plazo medio (dia siguiente ).
- Facebook : el usuario de facebook tiene un tiempo de reacción un poco más lento que el twitero, por lo tanto, facilita la creación de tráfico en un plazo medio (horas o incluso dias), pero por desgracia acostumbra a ser un público que no tiene por que gustarle al 100% lo que le estás enviando (es muy normal aceptar cientos de solicitudes de amistad sin mirarselas), así que el público real al que se está llegando es un incógnita.
- Feeds: A estos usuarios se les ha de mimar :). Voluntariamente, sin dudarlo ni un momento han escogido libremente leer tus noticias de cuando publicas cosas nuevas. Les interesa tu tema y hay tanto los "nerviosos" que reaccionan instantáneamente al feed como los que tardan horas o dias para conectarse. Es sin duda el mejor sistema de comunicación entre el blog y sus lectores.
- Links: Si te dedicas ha hacer tutoriales es bastante normal que acabes enviando tus tutos a directorios de tutoriales (han de ser buenos para que te los acepten) . Si tu trabajo es bueno, es bastante normal que te citen en foros o en otros blogs. Si gusta lo que haces tendrás links, así de sencillo. Este tipo de público llega a ti por el boca a boca, buscando información y puede generar una gran cantidad de tráfico al descubrir todos tus post. El problema?? Que no hay forma de controlar esta comunicación más allá que la de hacer posts de calidad.
- Buscadores: Lo que todo el mundo quiere y (casi) nadie consigue. El tráfico que proviene de google o de bing o del que sea, es el más deseado ya que es "carne fresca", gente que no conoce tu blog y que representa cientos de oportunidades de expansión. Me niego a dar consejos aquí para mejorar la posición en los buscadores por que hay cientos de artículos que hablan sobre el tema ( link )
- Recirculación: La recirculación es hacer que los visitantes de tu blog, miren y remiren tus paginas. Formas de conseguirlo? Linkando bien tus posts relacionados, generando listados de artículos con una temática común y usar herramientas como linkwithin (gadget de Quizás también le interese:) Este tipo de tráfico no es el mejor, ya que no estás llegando a más gente, pero al menos fidelizas a la que tienes para que expandan boca a boca tu blog.
Consejos para aumentar el tráfico paulatinamente:
Estos consejos se basan en mi experiencia personal y a mi me funcionan bastante bien. Cada uno se lo monte como quiera/pueda.
- No postees al buen tuntún: Si tienes material y tiempo para un post escribelo, preparalo y guardatelo.
- Márcate un objetivo de visitas diarias: Se realista, pero no vago. Si tus visitas son del tipo : 100,180,170,150,130, podrías plantearte un mínimo de 150 visitas diarias por ejemplo.
- Actúa cuando veas que no se va a cumplir el mínimo diario: Con el tiempo podrás saber cuantas visitas a cierta hora del dia necesitas para que cuando acabe el dia tengas el mínimo diario que te has marcado. Actúa significa postea aquel post que tenias guardado en la recámara. Tendrías que postear entre 12 y 8 horas antes de que se acabe el periodo de contabilización de visitas diarias (para que la gente de los diferentes sistemas de comunicación pueda llegar a enterarse).
- Escoge el tipo de post que vas a publicar: Crees que te faltarán pocas visitas para llegar el mínimo??, postea una vaca lechera, así podrás cumplir el cupo diario y conseguiras aumentar un poco el tráfico diario para el resto de dias. Faltaran muchas visitas para llegar al mínimo? Postea un explosivo, pero recuerda, "pan para hoy, hambre para mañana"
- Intenta que llegue al máximo de gente posible: publicalo en twiter, facebook, google+, o donde quieras/puedas. Si la situación es desesperada y no llegas al mínimo de visitas que te has propuesto te puedes plantear como solución excepcional retwitear posts antiguos que te hayan dado tráfico en su momento. esto, con cuidado, ya que si lo haces con frecuencia tendrá efectos adversos.
-Actualiza tu mínimo de visitas diarias cada cierto tiempo: Cuando ya no te sea un problema conseguir el mínimo de visitas que te habías planteado, proponte un nuevo reto realista y vuelta a empezar.
- Sigue tu intuición e ignora los posts que se titulen "SEO: Como conseguir más tráfico web": :) Tu blog es tuyo. Tus lectores son únicos. Tus temáticas son las que son. No esperes que nadie te dé 4 normas que te solucionen la vida y aprende sobre la marcha.
En fin, espero que os haya gustado.
Nos vemos
domingo, 28 de octubre de 2012
Simbología electrónica
Hola a todos,
Haciendo el tutorial de electrónica me he dado cuenta que he hecho un fallo bastante grave... no he explicado los símbolos de cada dispositivo, así que lo haré ahora. Y de paso nos sirve de tabla-recordatorio donde estén todos los símbolos En el nombre de cada elemento pondré un link al tutorial donde se hace referencia.
Los que veáis que están sin link es que todavía no he creado el tutorial correspondiente pero que no falta mucho.
Espero que os guste:
PUERTAS LÓGICAS:
Se Incluyen las diversas nomenclaturas internacionales para que no os extrañe ninguna:

NAND:

OR:

NOR:

NOT:

XOR:

RESISTORES:
Resistor:
Potenciómetro:
Resistor variable:
LDR (Light Dependent Resistance):
Termistores:
VDR:
Como saber el valor de una resistencia en función de su código de color:
Por ejemplo, un resistencia rojo-rojo-rojo vale 2200 ohmios.
CONDENSADORES y BOBINAS:
Condensador:
Condensador electrolítico:
Bobinas:
DIODOS:
Diodo:
LED:
FotoDiodo:
Diodo Zéner:
Diodo túnel:
Diodo Varicap:
Diodo sensor de temperatura:
Diodo Schottky:
TRANSISTORES:
Transistor bipolar:
Transistor FET:
FotoTransistor:
OTROS:
Motor:
Cristal de Cuarzo :
Fusible:
Pulsador:
Pila:
Generador de corriente:
Generador de tensión:
Bombilla:
Amperimetro:
Voltímetro:
Amplificador Operacional:
Regulador de tensión:
Y hasta aquí he llegado, si creéis que falta algún otro símbolo o encontráis alguno que no entendéis y queréis que lo incluya, no dudéis en hacérmelo llegar.
Espero que os haya servido,
Nos vemos.

viernes, 26 de octubre de 2012
Curso de electrónica: Capitulo 3. Circuitos digitales sencillos
Hola a todos,
En el primer capitulo de este curso hablamos de los transistores, en el segundo usamos estos transistores para generar puertas lógicas, así que siguiendo la misma sucesión lógica hoy toca explicar los circuitos digitales.
En el fondo es bastante sencillo, las puertas lógicas nos ofrecen la posibilidad de tener una salida ( 0 o 1 ) en funció de dos entradas binarias (ambas pueden ser 0 o 1). Combinando diferentes puertas lógicas podemos elaborar módulos (circuitos digitales) con funcionalidades muy concretas y útiles.
Por ahora solo os voy a explicar 3 circuitos muy sencillos (existen decenas de miles) que nos servirán de base para construir más cosas encima:
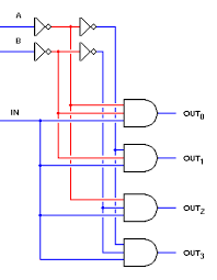
- Multiplexor: Un multiplexor es un dispositivo digital que permite seleccionar una de sus entradas y ponerla en la salida.
El esquema del funcionamiento seria el siguiente:
A modo de ejemplo, se pareceria un poco a la instruccion switch de C
switch(sel)
{
case 0: return I0;
case 1: return I1;
case 2: return I2;
case 3: return I3;
etc etc etc
}
A nivel de puertas lógicas se puede implementar de la siguiente manera:
- DeMultiplexor: Como todos supondreis, el demultiplexor es un dispositivo digital que realiza la función contraria al multiplexor, es decir, mediante una entrada de selección se decide a que salida se quiere que se vaya la entrada.
El funcionamiento es el siguiente:
Mediante puertas lógicas se podría implementar así:
- Sumador: Como su nombre indica un sumador es un dispositivo digital que realiza la operación matemática de sumar dos números.
El circuito lógico para sumar dos bits seria el siguiente:
Este circuito se puede ir replicando para obtener circuitos que sumen números de 8, 16,32 o el número de bits que queramos.
Aunque no os lo parezca, estos circuitos son la base esencial sobre la que se construyen los procesadores de hoy día, así que creo que vale la pena conocerlos.
Todo esto nos servirá para poder avanzar un pasito más en el siguiente capitulo.
Espero que os haya gustado
Nos vemos

domingo, 21 de octubre de 2012
Curso de electrónica: Capitulo 2. Puertas Lógicas
Hola a todos,
En el capítulo anterior hablamos un poco de los transistores y de sus aplicaciones. Hoy nos centraremos en su aplicación más importante. Las puertas lógicas.
Las puertas lógicas son los dispositivos digitales más sencillos que existen y se encargan de realizar operaciones de lógica binaria entre pocas variables.
Las puertas lógicas de dos bits de entrada mas importantes son:
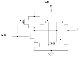
- Puerta OR: También conocida como suma lógica. Su comportamiento se podría reducir a : "Si alguna de las entradas vale 1, la salida vale 1"
Con transistores esta puerta se haría así:
- Puerta AND: También conocida como multiplicación lógica. Su comportamiento se podría expresar como: "Si alguna de las entradas vale 0, la salida vale 0"
- Puerta XOR: También conocida como suma exclusiva. Su funcionamiento es: "Si las dos entradas son diferentes, la salida es 1, si son iguales la salida es 0"
Aparte de estas puertas lógicas de dos entradas hay un importantísima de 1 entrada, la puerta NOT. Esta puerta lo que hace es negar la señal de entrada. Es decir si recibimos un 0, sacamos un 1 y viceversa.
Gracias a la puerta not también son conocidas las puertas NOR, NAND y XNOR que son equivalentes a sus homologas pero con la salida negada.
- Puerta NOR
- Puerta NAND
- Puerta XNOR
Aparte de estas puertas lógicas hay otras no estandarizadas pero que ciertos fabricantes han ido encapsulando en sus chips por que se usaban con cierta regularidad. Ejemplos de ello son puertas de 8 entradas (o más), puertas con alguna entrada negada o combinaciones de puertas para realizar alguna función un poco más elaborada.
Los circuitos con transistores los he puesto solo como anécdota No los he explicado por que el post me ocuparía cuatro páginas. Si alguien tiene dudas sobre su funcionamiento que me lo diga e intentaré explicárselo.
Por hoy suficiente, el próximo capitulo se basará en circuitos digitales realizados mediante puertas lógicas.
Espero que os guste
Nos vemos

Entradas populares
-
Una pregunta que me hacen en muchas ocasiones es ¿¿qué significa %2?? La respuesta tiene dos acepciones en función de si lo estamos u...
-
<< Ejemplo anterior Artículos Relacionados Ejemplo siguiente >> Hola a todos, ASCII Art es el hecho de hacer di...
-
Hola a todos... En muchas ocasiones un programador ve frustrado un proyecto al faltarle un artista de audio y/o imagen que le complemente ...
-
<< Gurú anterior Gurús de la programación John Carmack Robert C. Martin (Uncle Bob) Kent Beck Martín Fowler Ward C...
-
<< Gurú anterior Gurús de la programación John Carmack Robert C. Martin (Uncle Bob) Kent Beck Martín Fowler Ward C...
-
<< Gurú anterior Gurús de la programación John Carmack Robert C. Martin (Uncle Bob) Kent Beck Martín Fowler Ward C...
-
<< Gurú anterior Gurús de la programación John Carmack Robert C. Martin (Uncle Bob) Kent Beck Martín Fowler Ward C...
-
<< Gurú anterior Gurús de la programación John Carmack Robert C. Martin (Uncle Bob) Kent Beck Martín Fowler Ward C...
-
<< Gurú anterior Gurús de la programación John Carmack Robert C. Martin (Uncle Bob) Kent Beck Martín Fowler Ward C...
-
<< Gurú anterior Gurús de la programación John Carmack Robert C. Martin (Uncle Bob) Kent Beck Martín Fowler Ward C...
































